OMINAISUUDET:

  • Isku: 50, 100, 150, 200, 250, 300, 350, 400, 500 ja 750 mm (muut pituudet pyydettäessä)
  • Materiaalit:
    Moottori ja karamoottorin putki ovat jauhemaalattua terästä tai ruostumatonta terästä.
    Männänvarsi alumiinia.
    Etu- ja takakannattimet PA, alumiinia tai ruostumatonta terästä.
  • Suojausluokka: IP66 (standardi), ankara ympäristö (IP68 ja IP69 mukaan)
  • Lämpötila:
    Käyttö: -20ºC - +70ºC
    Varastointi: -40ºC - +70ºC
  • Kaapeli: 1 m, 2X0,52 mm² (AWG20), Ø = 4,8 mm, musta, Molex Mini-Fit Jr. 6-nastainen
  • Max. staattinen kuormitus/itselukitusvoima: PA-kannattimet: 2000N Alu/AISI: 5400N, riippuen työntösovelluksien iskunpituudesta
  • Toiminta-aika: 2 minuuttia käytössä, jota seuraa 18 minuutin lepo

 

NOPEUS JA VOIMA 

24VDC (max 28VDC) - Virta maksimikuormalla: 1,8A

Välityssuhde C D E F G H
Voima (dyn. työntö ja veto) [N] 120    400    600    900    1600    2200   
Nopeus maksimikuormalla [mm/s]      33 16 12 7,5 4 3

Max. kuormitus rajoitettu iskunpituudelle >400mm: 1000N

 

12VDC (max 14VDC) - Virta maksimikuormalla: 3,6A

Välityssuhde C    D    E    F    G    H   
Voima (dyn. työntö ja veto) [N]   400    600    900    1500    2000   
Nopeus maksimikuormalla [mm/s]         16 9 7,5 3,5 2,5

Max. kuormitus rajoitettu iskunpituudelle >400mm: 1000N

 

NOPEUS/VOIMA (24 VDC)

Nopeus voimae 35 24v

 VOIMA/VIRTA (24 VDC)

Voima virtae35 24v

 NOPEUS/VOIMA (12VDC)

Nopeus voimae 35 12v

 VOIMA/VIRTA (12VDC)

Voima virtae 35 12v
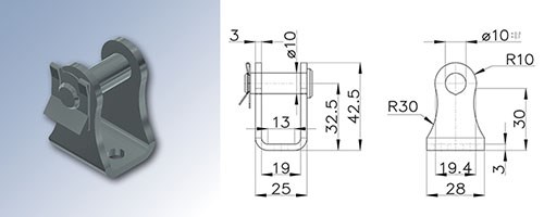
Mitat e 35

 

  EL    Haarukka kiinnitys    Hall-anturi    UL/EN60.601    Ankara ympäristö   
 Välityssuhde: C, D, E, F      Isku + 160*       +10 +10 +10 +11
 Välityssuhde: G, H Isku + 170* +10 +10 +10 +11


* Iskun pituus > 400mm: EL+7mm, iskun pituus >700mm: EL +42mm
Aksiaalinen välys: +/- 0,5mm, yleinen pituustoleranssi +/- 1mm

 

 

KARAMOOTTOREIDEN PAINO:

 Iskun pituus [mm]       50     100      150      200      250      300      350      400      500      750     
 Paino [kg] 0,8 0,9 1,0 1,1 1,2 1,3 1,4 1,6 1,8 2,3


Todellinen paino voi vaihdella mallin ja valitun vaihtoehdon mukaan.

KYTKENTÄOSAT "MOOTTORIN PUOLI":
SILMUKKA

Saranasilmä1 e35

Alumiini                                                                                           Ruostumaton teräs
Koodi: A1M                                                                                       Koodi: C1M 
Suurin staattinen kuormitus: 5400N                                       Suurin staattinen kuormitus: 5400N


Polyamidi (PA)
Koodi: B1M
Suurin staattinen kuorma: 2000N

 

LAAKEROITU SILMUKKA 

Saranasilmukka1 e35

Alumiini
Koodi: E1M
Suurin staattinen kuormitus: 5400N

 

 

 

 HAARUKKA

Clevis1 e35

Alumiini                                                                                                    Ruostumaton teräs (316)
Koodi: F1M                                                                                                Koodi: H1M
Suurin staattinen kuormitus: 5400N                                                Suurin staattinen kuormitus: 5400N 


Polyamidi (PA)
Koodi: G1M
Suurin staattinen kuorma: 2000N
*4,2mm

 

 

LIITOSOSA "MÄNNÄNVARREN PUOLI":
SILMUKKA

Saranasilmä2 e35

Alumiini                                                                                      Ruostumaton teräs (316)
Koodi: A1K                                                                                   Koodi: C1K
Suurin staattinen kuormitus: 5400N                                  Suurin staattinen kuormitus: 5400N


Polyamidi (PA)
Koodi: B1K
Suurin staattinen kuorma: 2000N

 

 LAAKEROITU SILMUKKA

Saranasilmukka2 e35

Alumiini
Koodi: E1K
Suurin staattinen kuormitus: 5400N

 

 

 

 HAARUKKA

Clevis2 e35

Alumiini                                                                                                    Ruostumaton teräs (316)
Koodi: F1K                                                                                                 Koodi: H1K
Suurin staattinen kuormitus: 5400N                                                Suurin staattinen kuormitus: 5400N


Polyamidi (PA)
Koodi: G1K
Suurin staattinen kuorma: 2000N
*4,2mm

 

 

EASYE-LINE- KARAMOOTTOREIDEN KIINNITYKSEEN SUOSITTELEMME SEURAAVIA KIINNIKKEITÄ: 

Eel900ba35 2ks

EEL900BA35-2KS

Männänvarren puoli
Max. kuorma: 2200N
Tilausnro: EEL900BA35-2KS

 
 
 
 
Eel900ba35 2ms

EEL900BA35-2MS

Moottorin puoli
Max. kuorma: 2200N
Tilausnro: EEL900BA35-2MS

 
 
 
 

SUOSITELTAVAT ASENNUSTAVAT

  • Älä kiinnitä karamoottoreita putkiin
  • Pidä molemmat kannattimet aina asennettuina saman suuntaisesti
  • Kiinnikkeiden tulee liikkua joustavasti

 

 

Easye asennus

HUOMAA

  • Virransyöttö ilman ylivirtasuojaa voi aiheuttaa vakavia vaurioita karamoottorille mekaanisessa päätepysäytyksessä tai kun karamoottori ylikuormitetaan muulla tavalla
  • Säteittäiset voimat voivat vaikuttaa haitallisesti suorituskykyyn tai johtaa karamoottorin vaurioitumiseen
  • Pidä männän varsi puhtaana
  • Pidemmät kaapelipituudet voivat aiheuttaa jännitehäviön, mikä vaikuttaa karamoottorin suorituskykyyn
  • Lääketieteellisiin sovelluksiin (IEC60601-1, ANSI/AAMI/ES60601-1, CAN/CSA-C22.2 No60601-1):
    Käyttölämpötila +5 ºC - +48 ºC, suhteellinen kosteus 20 % - 70 % ilmanpaine = 1 atm.
    Liitä vain lääketieteellisesti hyväksyttyyn virtalähteeseen ja lähteen mukana toimitettujen ohjeiden mukaisesti
  • "Ankarissa ympäristöissä" toimivien karamoottoreiden pöly- ja vesitiiviys saattaa vaikuttaa niiden suorituskykyyn
  • Kaikki tekniset tiedot koskevat 25 ºC:n lämpötilaa – alhainen lämpötila saattaa vaikuttaa suorituskykyyn
  • Kuormituksesta ja sovelluksesta riippuen nimellinen ja todellinen iskunpituus voivat vaihdella
  • Vaihteen ja iskun yhdistelmä voi aiheuttaa rajoituksia "End limit FW" -käytössä käytettäessä S2-3-ohjainta

Ei vielä tunnuksia verkkokauppaan?

Kirjautuneena käyttäjänä käytössäsi on asiakaskohtainen hinnasto sekä löydät nopeasti tilaushistoriasi.

Tilaa tunnukset