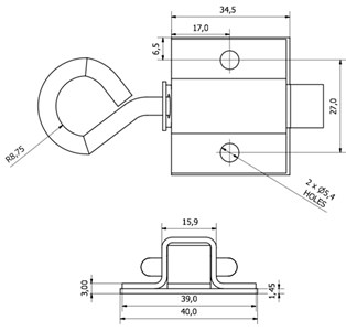
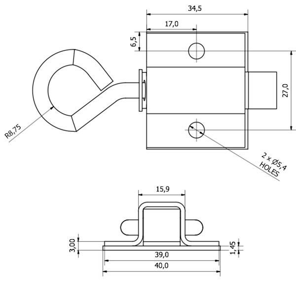
JOUSISALPA SÄÄDETTÄVÄ

Näytä tuotteet Kysy lisätietoa

Aukeama 8-14mm. Kieli voidaan kääntää ja aukeamaa säätää sormirengasta kiertämällä.

Vinkki! Avaa -ikonista tuotteen lisätiedot ja lisää halutessasi ostoskoriin.
Tuotekoodi Nimi Materiaali Pakkauskoko Pituus Leveys Korkeus Nettopaino Tuotekortti Hinta Alv. 0% € Saatavuus Lisää ostoskoriin
350090 Jousisalpa säädettävä Sinkitty teräs 50kpl 90mm 40mm 16mm 78g Pyydä tarjous tuotteesta lisäämällä se ostoskoriin  VarastossaNormaali toimitusaika 2-3 työpäivää
KPL
Lisää
Lisätty ostoskoriin!
Koriin lisäys epäonnistui.