JOUSISALPA PUNAPÄÄ 170MM ZN ILMAN TAPPEJA, LUKITUS POHJALEVYYN

Näytä tuotteet Kysy lisätietoa

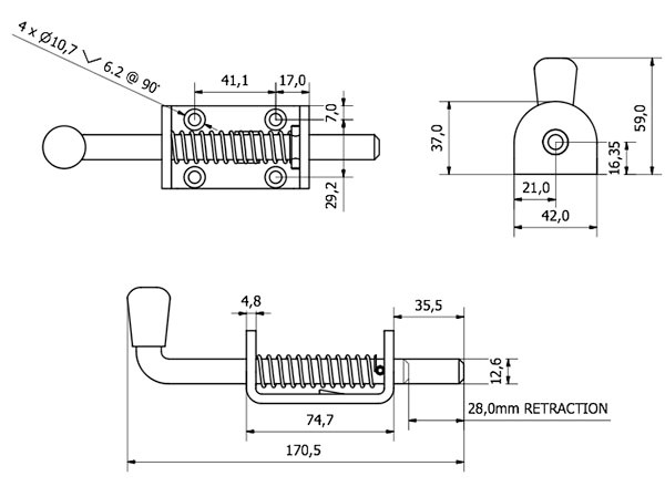
Sinkitty jousisalpa punaisella muovitulpalla, Ø12.5mm tappi, aukeama 28mm. Voidaan lukita auki-asentoon.

Vinkki! Avaa -ikonista tuotteen lisätiedot ja lisää halutessasi ostoskoriin.
Tuotekoodi Nimi Materiaali Pakkauskoko Pituus Leveys Korkeus Nettopaino Tuotekortti Hinta Alv. 0% € Saatavuus Lisää ostoskoriin
350065 Jousisalpa punapää 170mm Zn ilman tappeja, lukitus pohjalevyyn Sinkitty teräs 1kpl 170mm 59mm 42mm 377g Pyydä tarjous tuotteesta lisäämällä se ostoskoriin  Saatavilla 22.01.2026
KPL
Lisää
Lisätty ostoskoriin!
Koriin lisäys epäonnistui.