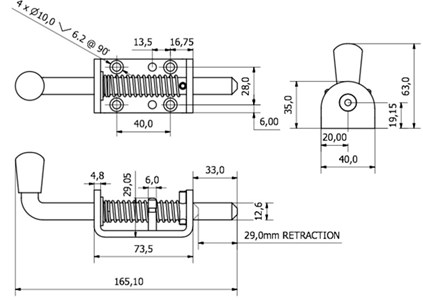
JOUSISALPA PUNAPÄÄ 165MM ZN TAPEILLA

Näytä tuotteet Kysy lisätietoa

Punainen muovitulppa, aukeama 26mm. Voidaan lukita auki-asentoon. Vastaava malli ilman tappeja 350061.

Vinkki! Avaa -ikonista tuotteen lisätiedot ja lisää halutessasi ostoskoriin.
Tuotekoodi Nimi Materiaali Pakkauskoko Pituus Leveys Korkeus Nettopaino Tuotekortti Hinta Alv. 0% € Saatavuus Lisää ostoskoriin
350060 Jousisalpa punapää 165mm Zn tapeilla Sinkitty teräs 1kpl 165mm 40mm 63mm 370g Pyydä tarjous tuotteesta lisäämällä se ostoskoriin  VarastossaNormaali toimitusaika 2-3 työpäivää
KPL
Lisää
Lisätty ostoskoriin!
Koriin lisäys epäonnistui.