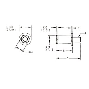
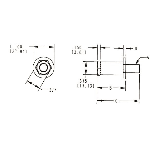
Käytä Trimarkin kaksiroottorisissa salvoissa, joihin 17,1mm lukkotappi on yhteensopiva. Tuote täyttää FMVSS 206 (ECE R11) -vaatimukset.

Vinkki! Avaa -ikonista tuotteen lisätiedot ja lisää halutessasi ostoskoriin.
Tuotekoodi Nimi Materiaali Pakkauskoko Nettopaino Tuotekortti Hinta Alv. 0% € Saatavuus Lisää ostoskoriin
380167 Lukkotappi 17,1mm Sinkitty teräs 1kpl 129g Pyydä tarjous tuotteesta lisäämällä se ostoskoriin  VarastossaNormaali toimitusaika 2-3 työpäivää
KPL
Lisää
Lisätty ostoskoriin!
Koriin lisäys epäonnistui.