SUUNNITELTU:
• Työkalulaatikoihin
• Lavakatteisiin ja nosto-oviin
• Useimpiin lokero- ja käyntioviin

OMINAISUUDET:
• Vedenpitävä
• Tyylikäs muotoilu
• Suljettu avainsylinteri
• Lukittava
• Upotettava
• Korroosion kesto

Vinkki! Avaa -ikonista tuotteen lisätiedot ja lisää halutessasi ostoskoriin.
Tuotekoodi Nimi Materiaali Pakkauskoko Leveys Korkeus Syvyys Nettopaino Väri Tuotekortti Hinta Alv. 0% € Saatavuus Lisää ostoskoriin
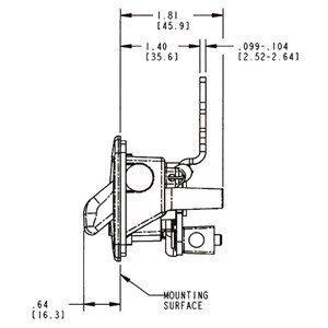
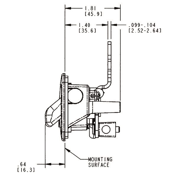
300811 Kahva koukulla Teräs 1kpl 114mm 57mm 45,9mm Musta Pyydä tarjous tuotteesta lisäämällä se ostoskoriin  VarastossaNormaali toimitusaika 2-3 työpäivää
KPL
Lisää
Lisätty ostoskoriin!
Koriin lisäys epäonnistui.