ILMASUUTIN SÄÄDETTÄVÄ KOLME LÄPPÄÄ

Näytä tuotteet Kysy lisätietoa

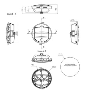
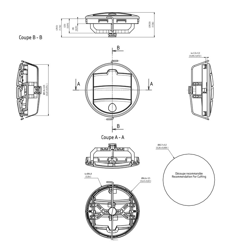
Pyöritettävä, kolme säätöläppää. Erittäin vahva kiinnitysjärjestelmä. Jousikiinnityksen avulla kiinnitettävissä myös epätavallisen paksuihin pintoihin. Asennusreikä Ø 82,7mm, asennussyvyys 29,5mm.

Vinkki! Avaa -ikonista tuotteen lisätiedot ja lisää halutessasi ostoskoriin.
Tuotekoodi Nimi Materiaali Pakkauskoko Nettopaino Ulko Ø Väri Tuotekortti Hinta Alv. 0% € Saatavuus Lisää ostoskoriin
440169 Ilmasuutin säädettävä 3 läppää 8300340115160 PA6.6+GF15 1kpl 40g 86,6mm Musta Pyydä tarjous tuotteesta lisäämällä se ostoskoriin  VarastossaNormaali toimitusaika 2-3 työpäivää
KPL
Lisää
Lisätty ostoskoriin!
Koriin lisäys epäonnistui.