ILMASTOINTILAITE COMPACT EVO2 ED4

Näytä tuotteet Kysy lisätietoa

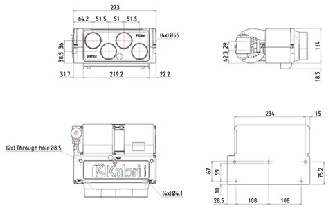
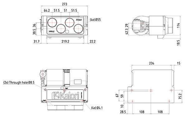
Erittäin pienikokoinen ilmastointilaite. Varustettu kaksoispuhaltimella. Erittäin kompakti ja soveltuu käytettäväksi ilmastointiin pienissä ajoneuvoissa tai hyteissä. Ilmaputken halkaisija 55mm. Ilmastointiteho 2,5kW. Sähkönkulutus 100W. Kolme puhallinnopeutta. Asennussyvyys 196,1mm.

Vinkki! Avaa -ikonista tuotteen lisätiedot ja lisää halutessasi ostoskoriin.
Tuotekoodi Nimi Pakkauskoko Pituus Korkeus Nettopaino Jännite Puhallusteho Tuotekortti Hinta Alv. 0% € Saatavuus Lisää ostoskoriin
420120 Ilmastointilaite Compact EVO2 ED4 12V 1kpl 273mm 114mm 3,5kg 12V 230m³/h Pyydä tarjous tuotteesta lisäämällä se ostoskoriin  Toimitusaika 4 viikkoa
KPL
Lisää
Lisätty ostoskoriin!
Koriin lisäys epäonnistui.