OHJAIN EEL-S2-2

Kysy lisätietoa

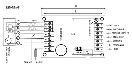
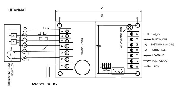
S2-2-ohjain mahdollistaa karamoottorin edistyneen paikantamisen ja ohjauksen helpon ja joustavan integroinnin ansiosta. Ohjain on suunniteltu toimimaan Bansbach easyE-line- karamoottoreiden kanssa sovelluksissa, joissa paikannusta vaaditaan. S2-2:ssa on säädettävät käynnistys- ja pysäytysrampit, jotka mahdollistavat tasaisen käynnistyksen ja pysäytyksen.

Säädettävät virtarajat molempiin suuntiin suojaavat moottoria ylivirroilta. Oppimistilassa lasketaan hall-pulssien määrä toimilaitteen täydessä iskussa, mikä mahdollistaa tarkan paikantamisen normaalin käytön aikana.

Karamoottorin asentoa ohjataan 0-5 tai 0-10 voltin tasajännitteellä S2-2:een.

Säädöt ja parametriasetukset, kuten virran raja-arvo, ramppiajat, nopeus jne., asetetaan S2-PROG-liitäntäyksiköllä tai S2-USB-sovittimella, joka on kytketty tietokoneeseen.

EEL-S2-2-A

73 x 43 x 25mm
(pituus x leveys x korkeus)
Kuva löytyy yläreunan kuvakarusellista

 EEL-S2-2-B

(koteloitu)
102 x 73 x 4mm
(pituus x leveys x korkeus)
Kuva löytyy yläreunan kuvakarusellista

EEL-S2-2-D

(DIN-kiskoversio)
90 x 46 x 56mm
(pituus x leveys x korkeus)
Kuva löytyy yläreunan kuvakarusellista

LISÄTARVIKKEET

  • S2-USB
  • S2-PROG
  • S2-Minifit-sovitin

OMINAISUUDET:

  • Tarkka asennonsäätö analogisesta jännitetulosta
  • Säädettävä käynnistysramppi
  • Säädettävä pysäytysramppi
  • Asetettava virtaraja
  • Korkea hyötysuhde
  • Suuri hetkellinen kantavuus
  • Kiinnitettävä DIN-kiskoon
  • "Sijainti saavutettu" - signaali

TEKNISET TIEDOT

  • Syöttöjännite: 12/24VDC
  • Lähtöjännite = syöttöjännite
  • Karamoottorin virta jatkuva max: 15A ( Ta<60°C )
  • Karamoottorin virta max: 20A (lyhytaika)
  • Virtarajan säätö: 0,1-20A
  • Ylikuumenemisraja: 100°C
  • PWM-taajuus: 2kHz
  • Hall-tulotaajuus: Max 1kHz
  • Tulon ohjauslogiikka (pos.):
            - High=4-30V,
            - Low=0-1V tai avoin
  • Moottori- ja syöttöliittimet: 2,5 mm johdot max
  • Ohjausliittimet: 1 mm johdot max
  • Mitat: 73x43x25mm (PxLxK)
  • Paino: 75g
  • Käyttölämpötila: -20° - 70°C
  • Tyhjäkäyntivirta: 45mA